芯城品牌采购网 > 品牌资讯 > 元器件百科 > 单极直流接触器

单极直流接触器

芯城品牌采购网

25827

单极直流接触器参数

1、环境温度:-25~+40℃, 24h平均值不超过+35℃;

2、相对湿度:+25℃达90%;

3、固定处的振动频率:1~50Hz(频率1~10Hz;振幅25/f;频率10~50Hz;振幅250/f2);

4、冲击加速度:30m/s2;;

5、安装方向:任意;

6、安装方式:螺钉安装;

7、适用工作制:不间断工作制(DC-1)

单极直流接触器特点

1、本产品设计结构紧凑、坚固;体积小、重量轻;

2、触头设计采用无镉双断点银合金桥式触头;

3、产品灭弧室具有强磁吹灭弧功能;

4、根据用户需要可供具有浪涌抑制器的产品;

5、线圈控制电压适用范围宽,可按用户要求特殊定制;

6、产品符合的标准:IEC60947-1 EN1175-1 GB14048.1 GB14048.4。

单极直流接触器型号及分类

1、单极直流接触器的分类

按额定工作电流分: 50、100、200、400A等4种;

按主触头辅助触头数量分;

控制线圈电压分:24、48等。

2、单极直流接触器的型号含义

dc071b27018c319f85eabc9e21157a2921.png

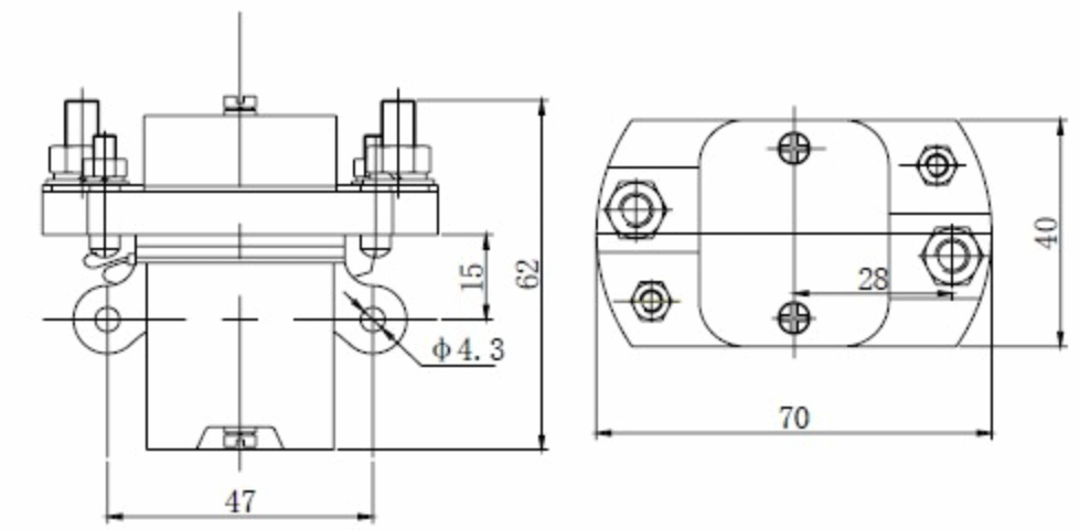
单极直流接触器外形及安装

1、接线图

dc071b27018c319f85eabc9e21157a2921.png

2、安装尺寸

dc071b27018c319f85eabc9e21157a2921.png


3、接线导线尺寸

dc071b27018c319f85eabc9e21157a2921.png


免责声明:
文章内容转自互联网,不代表本站赞同其观点;
如涉及内容、图片、版权等问题,请联系2644303206@qq.com我们将在第一时间删除内容!