芯城品牌采购网 > 品牌资讯 > 技术方案

经验分享:电阻器代换技巧及相关注意事项-芯城品牌采购网

对普通电阻器进行代换时,尽可能选用同型号的电阻器替换,如无法找到同型号的电阻器代换时,应注意选用电阻器的标称值要与所需电阻器阻值差值越小越好,并且普通电阻器的额定功率应符合固定电阻器的要求。一般所选用电阻器的额定功率应大于实际承受功率的两倍以上。一般电路中选用电阻器允许误差为正负5%~正负10%;所选电阻器的额定功率,应符合应用电路中对电阻器功率容量的要求。还有以下三种需注意的参数:1、额定功率不

芯城品牌采购网

25397

如何用信号发生器对收音机进行统调-芯城品牌采购网

一、电路简介:电路如图可以看出,信号发生器由两部分组成:一、由时基555及外围元件组成音频信号发生器;二、用9014作高频振荡管,产生高频载波,通过音频信号的调制后发射出去,也可以接入MP3音频信号,播放乐曲,这在白天很难收到中波信号的情况下,代替电台,使学生收音机也能收到信号。这信号发生器可输出中频信号465千周左右的频率,以及高频530千周至1700千周的信号,幅射距离约2-3米,它完全可以满

芯城品牌采购网

25385

汽车雷达带来360度环绕安全屏障-芯城品牌采购网

汽车工业复杂传感技术的发展日新月异。这是什么原因呢?是为了提高道路安全并帮助减少事故。如今,高级驾驶辅助系统(ADAS)正推动此类解决方案的发展。虽然激光雷达(LiDAR)和摄像头等光学传感技术已投入使用,但恶劣的天气条件会影响其性能,因此需要其他技术来保证系统的稳健性。因此,汽车雷达(使用无线微波信号)的进展被视为未来自动驾驶(AD)的关键要素。与汽车业的惯例一样,基于雷达的功能最初用于高端车型

芯城品牌采购网

24755

ADI汽车传感器和传感器接口解决方案-芯城品牌采购网

为了符合新出台的法规要求,提高燃油经济性和减少排放,汽车必须更加环保。只有通过改进传统内燃机效率,才能满足这些要求,这一目标要通过改进燃烧传感和控制性能付诸实现,因而需要更高的传感器和信号调理精度和集成度。根据这个应用要求,ADI提供了包括压力传感器、电流传感器、电容传感器、位置和速度传感器、温度传感器的应用解决方案。ADI为您提供:功能齐全的各式传感器应用宽动态范围、高精度和宽工作温度的传感器系

芯城品牌采购网

27447

变频器起什么作用?简述变频器工作原理-芯城品牌采购网

变频器是应用变频技术与微电子技术,通过改变电机工作电源频率方式来控制交流电动机的电力控制设备。本文将介绍变频器的作用以及工作原理,期望能对各位读者有比较大的参阅价值。变频器的工作原理变频器主要由整流(交流变直流)、滤波、逆变(直流变交流)、制动单元、驱动单元、检测单元微处理单元等组成。变频器靠内部IGBT的开断来调整输出电源的电压和频率,根据电机的实际需要来提供其所需要的电源电压,进而达到节能、调

芯城品牌采购网

24201

怎么办?单片机固件又被人破解了~~-芯城品牌采购网

01什么是单片机解密?单片机(MCU)一般都有内部程序区和数据区(或者其一)供用户存放程序和工作数据(或者其一)。为了防止未经授访问或拷贝单片机的机内程序,大部分单片机都带有加密锁定位或者加密字节,以保护片内程序。如果在编程时加密锁定位被使能(锁定),就无法用普通编程器直接读取单片机内的程序,这就叫单片机加密。(PS:单片机程序基本上都存在于Flash中,大部分能够读取或者识别Flash上的数据就

芯城品牌采购网

24421

断路器有哪些主要技术参数?-芯城品牌采购网

断路器是电工工作中经常要接触的器件,断路器是指能够关合、承载和开断正常回路条件下的电流并能关合、在规定的时间内承载和开断异常回路条件下的电流的开关装置。为增进大家对断路器以及断路器参数的认识,本文将对断路器主要技术参数予以介绍,期望能对各位读者有比较大的参阅价值。一、断路器的技术参数(1)额定电压(KV)。指断路器正常工作时,系统的额定(线)电压。这是断路器的标称电压,断路器应能保持在这一电压的电

芯城品牌采购网

24323

大硅片界人人都在说的COP究竟是什么?-芯城品牌采购网

COP(crystaloriginatedparticle)是存在于晶圆片的空洞,在经过氧化溶液SC1(NH4OH:H2O2:H2O=1:1:5)的处理后,可出现小的蚀刻坑洞。而这种晶圆片在经由光线散射仪器所量测出来的微粒(particle),一般称之为LPD(lightpointdefect)。最早期,LPD一直被认为是晶圆片加工过程所引进的污染微粒,直到1990年才发现大部分的LPD是由长晶过

芯城品牌采购网

24390

大功率继电器的作用原理及特性参数-芯城品牌采购网

继电器是具有隔离功能的自动开关元件,广泛应用于遥控、遥测、通讯、自动控制、机电一体化及电力电子设备中,是最重要的控制元件之一。继电器一般都有能反映一定输入变量(如电流、电压、功率、阻抗、频率、温度、压力、速度、光等)的感应机构(输入部分);有能对被控电路实现“通”、“断”控制的执行机构(输出部分);在继电器的输入部分和输出部分之间,还有对输入量进行耦合隔离,功能处理和对输出部分进行驱动的中间机构(

芯城品牌采购网

25799

什么是云母电容器?与一般电容有啥区别?-芯城品牌采购网

云母电容器的介质为云母片,电极有金属箔式的和金属膜式的。早先的云母电容器是由金属箔或在云母片表面上喷银构成电极,再按需要的容量将它们叠片后经漫渍压塑在胶木壳内构成的。目前大多在云母介质上被覆一层银电极,芯子结构是装叠而成的,然后再装入外壳封装而构成电容器。外壳有陶佳外壳、金属外壳及塑料外壳,常用的为塑料外壳。云母电容器的类型根据云母片固定的方法不同而有不同结构的电容器。1.卡子型压塑云母电容器器芯

芯城品牌采购网

23919

光电耦合器的工作原理及作用有哪些-芯城品牌采购网

光电耦合器是种以光为媒介传输电信号的电转换器件,它由发光源和受光器两部分组成,把发光源和受光器组装在同一密闭的壳体内,让彼此间隔离。光电耦合器原理当输入端施加电信号时,发光器发出光线,并且受光器在接收到从输出端流出的光之后产生光电流,从而实现“电—光—电”控制。在开关电源将输出端的信息反馈到开关电源控制部分,从而控制输出端的电压稳定,达到稳压目的。光耦的作用有效隔离电气上的输入和输出电路具有良好的

芯城品牌采购网

26289

采用MSP430F2274和TDC-GP2实现油田测量系统的设计-芯城品牌采购网

1、引言随着我国经济的快速发展,对石油的需求量越来越大,因此我国许多油田纷纷采用多种办法来提高油气产量。例如:各大油田都成立了自己的研究机构,充分利用油田自身的人才和资金的优势,研制油田钻井、测井所急需的仪器。许多油田特别是东部和东北地区的开采时间较长的油田,对油井进行二次开采,以提高油气产量等等。而对于油井的二次开采,往井下注水是现在应用广泛,且效率较高的一种方法。现在油田对注水技术的要求越来越

芯城品牌采购网

25964

使用MSGEQ7频谱分析仪的技巧和窍门-芯城品牌采购网

随着我们对音频无反应项目的日益复杂,我们可能决定用提供自动增益控制的麦克风代替简单的MEMS麦克风加放大器。这是我以前与相关的文章的后续文章:“使用MSGEQ7频谱分析仪的技巧和窍门”和“使用MSGEQ7音频频谱分析仪时的噪声处理”。您可能还记得,MSGEQ7是一款便宜的八针设备,可以接收音频信号并将其分成与以63Hz,160Hz,400Hz,1,000Hz,2,500Hz为中心的七个频段相关的振

芯城品牌采购网

23815

贴片电阻的标识和规格型号介绍-芯城品牌采购网

贴片电阻是金属玻璃釉电阻器中的一种。是将金属粉和玻璃釉粉混合,采用丝网印刷法印在基板上制成的电阻器。薄薄的一个小方片,体积小、耐潮湿、耐高温、温度系数小,非常适合现在自动化装配的时代。小编之前就有见识过自动贴片机,刷刷两下,十秒左右的功夫,一块线路板上已经布满大大小小的各种元器件,又快又省事。普通电阻是靠色环来辨识阻值,贴片电阻靠什么来辨识阻值呢?国内贴片电阻的命名方法有两个:5%精度的命名法(例

芯城品牌采购网

26935

低TCR大功率贴片电阻器参数介绍-芯城品牌采购网

一,贴片电阻特点①采用长边电极结构和独家材料实现了大功率,低TCR(±100×10-6/K),②适用于小型大功率的电流检测用途(低TCR使高精度的电流检测成为可能),③采用长边电极结构具备牢固的焊锡粘结强度,④采用长边电极结构实现了高散热性,⑤符合AEC-Q200,⑥已应对RoHS指令。二,低TCR高功率贴片电阻用途①用于ECU,ABS等的电装件②用于直流ー直流转换器等的电流检测电路三,低TCR

芯城品牌采购网

27443

贴片电阻的正负极和焊接你们知道多少呢-芯城品牌采购网

当我们得到分解后的电路板时,我们会发现电路板上几乎一半的电子元件是电阻器。我们看到的大多数电阻器可以分为两种形状,一种是用彩色环表示的轴向电阻,另一种是用数字方法表示的贴片电阻。对于上述两种形状的电阻器,没有极性,也就是说,没有极性,它们在安装和焊接过程中只有工艺要求。今天,我们来谈谈电阻识别和焊接的一些问题。抗性鉴定1.色环电阻的识别为了识别对电流的电阻,我们将在轴向电阻的外观上涂上不同颜色的环

芯城品牌采购网

27177

厚膜晶片电阻和薄膜晶片电阻的区别-芯城品牌采购网

在客户咨询的时候,很多时候都会问到,什么是厚膜晶片电阻薄膜晶片电阻,它们有什么区别,用在哪些行业?晶片电阻又称厚膜晶片电阻或金属膜电阻和片式电阻,不管哪个各种名称都是根据它的膜层厚度、形状及膜层材料来区分(如下图):在这里,很多人都会误以为厚膜晶片电阻薄膜晶片电阻的区别在于膜的厚度,实际上厚膜晶片电阻薄膜晶片电阻分别由它们代表的不同工艺特征来区分,比如说厚膜晶片电阻利用丝网印刷将道题浆料和电

芯城品牌采购网

24116

全志A64和RK3288有哪些不同-芯城品牌采购网

全志A64是一款64位的四核处理器,主要针对平板电脑/盒子/笔记本等产品,这款64位开发板拥有2GB内存,16GB存储,支持HDMI1.4,USB2.0,2.4GHz/5GHzWiFi,支持AndroidL系统。瑞芯微RK3288这款芯片也是一个四核ARMCortex-A17内核芯片、支持最新超强Mali-T76x系列GPU的芯片以及4Kx2K硬解H.265的芯片,RK3288主要应用于移动互联网

芯城品牌采购网

26733

全志A33的用途_全志A33性能参数介绍-芯城品牌采购网

全志A33是一款处理器,采用四核CortexTM-A7架构,搭载Mali400MP2图形处理单元,支持1080P高清视频处理及播放,最大支持1280×800屏幕,支持500万像素摄像头,支持USB3.0接口。  全志A33基本参数  全志A33四核是目前最具性价比的超低功耗四核平板处理器,基于ARMCortex-A7四核CPU架构以及Mali400MP2GPU架构,完美支持多格式1080P@60f

芯城品牌采购网

27499

MOS管的三个级究竟怎么判定?-芯城品牌采购网

相信很多工程师在使用电子测量仪器的时候大家都了解MOS管,下面一起看看MOS管究竟是什么。1.MOS的三个极怎么判定?MOS管符号上的三个脚,辨认要抓住关键地方:G极,不用说比较好认。S极,不论是P沟道还是N沟道,两根线相交的就是。D极,不论是P沟道还是N沟道,是单独引线的那边。2.是N沟道还是P沟道?三个脚的极性判断完后,接下就该判断是P沟道还是N沟道了:当然也可以先判断沟道类型,再判断三个脚极

芯城品牌采购网

26700

运放芯片该如何选择电阻和电阻对放大电路的影响-芯城品牌采购网

如下图:如果我们把运放芯片当作理想的,那么放大电路的增益就是两个电阻的比值,如果要让增益等于2,那么R1和R2分别是2K,1K能达到目的,20K,10K也能达到目的,200K,100K也能达到目的,2Ω,1Ω看着也能达到目的,那么这些阻值都是可以的吗?电阻大小影响什么?这个问题以前也没有深究过,虽然大抵知道一些影响因素,估计也是一些片面的因素,正好借这个机会专门查一查下面就是查到的一些内容。电阻的

芯城品牌采购网

27554

紧俏的血氧仪内部芯片和原理方案-芯城品牌采购网

目前血氧仪暴涨的需求,主要是政策调整后,人群感冒发烧增多,确诊增多,有基础疾病的老年人等群体暴露其中更加危险,官方鼓励血氧仪作为监控预防重症的设备。加上血氧知识的普及,媒体的宣传,如多位专家建议家庭、个人准备指夹式血氧仪等设备,及时掌握自己和家人的身体情况。因此对于有家有老人、小孩,或者本身抵抗力差的人群,作为日常监测还是比较实用,一旦出现低血氧可以及时就医。而对于没有严重基础疾病的普通人群来说,

芯城品牌采购网

26912

让仪器成为设计时的得力助手-芯城品牌采购网

工程师通过仪器能够查看和了解不同电子、机械部分或整个系统内的情况。这些设备通过获取、分析和显示数据,让工程师可以监视和控制机械并进行所有必要的更正。在测试或原型制作过程中,仪器可帮助改进电路,让设计更新颖、更出色。由于需要具有丰富功能和高可用性的高性能仪器来满足各种应用面临的设计挑战,我们将会介绍这些仪器为满足客户需求而需要具备的特性,然后研究仪表放大器这个关键设计组件的重要属性。仪器不同,要求不

芯城品牌采购网

25290

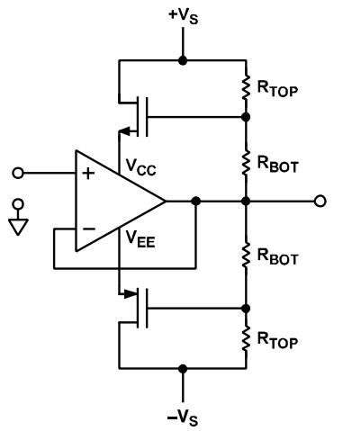
OPAMP运算放大器芯片参数的简易测量-芯城品牌采购网

OPAMP运算放大器芯片是具备差分输入和单端输入的极低增益放大器。常用作低精度的模拟电路之中,因此必须对其性能展开精确测量。但在开环测定之中,开环电压可低达107或更低,并且拾音器、杂散电流或Seebeck(热电偶)效应会在放大器输入端造成非常大的电压,因此误差是难以避免的。测量过程可大大简化,通过采用一个伺服回路,被迫放大器的输入为零,容许被测放大器测定自己的误差。图1表明了一个多功能的电路,透

芯城品牌采购网

29770

开关电源中的局部放电-芯城品牌采购网

一、局部放电现象局部放电(partialdischarge,简称PD)现象,通常主要指的是高压电气设备绝缘层在足够强的电场作用下局部范围内发生的放电,某个区域的电场强度一旦达到其介质击穿场强时,该区域就会出现放电现象。这种放电以仅造成导体间的绝缘局部短(路桥)接而不形成导电通道为限。每一次局部放电对绝缘介质都会有一些影响,轻微的局部放电对电力设备绝缘的影响较小,绝缘强度的下降较慢;而强烈的局部放电

芯城品牌采购网

26441

仿真看世界之650V混合SiC单管的开关特性-芯城品牌采购网

IGBT混搭SiCSBD续流二极管,在硬换流的场合,至少有两个主要优势:●没有Si二极管的反向恢复损耗Erec●降低30%以上IGBT的开通损耗Eon因此,在中小功率光伏与UPS等领域,IGBT混搭SiCSBD续流二极管具有较高性价比。此次,我们将利用英飞凌强大且丰富的器件SPICE模型,同样在Simetirx的仿真环境里,测试不同类型的续流二极管,对IGBT开通特性及Eon的影响。特别提醒仿真无

芯城品牌采购网

28550

常规运算放大器的自举电路设计-芯城品牌采购网

当现成的运算放大器(opamp)不能提供特定应用所需的信号摆幅范围时,工程师面临两种选择:使用高压运算放大器或设计分立解决方案,不过这两种选择的成本可能都很高。对许多应用来说,第三种选择——自举——可能是比较廉价的替代方案。除了动态性能要求极为苛刻的应用,自举电源电路的设计是相当简单的。自举简介常规运算放大器要求其输入电压在其电源轨范围内。如果输入信号可能超过电源轨,可以通过电阻衰减过大输入,使这

芯城品牌采购网

28461

采用MSP430FG4616单片机与模数转换器实现心电图机系统的设计-芯城品牌采购网

十二导联同步心电图机,广泛应用于医院、疾病防控中心等卫生医疗保健机构,十二导联同步心电图机的厂家很多,应用广泛,各种产品之间的差别也比较大。心电图检查技术在心血管病的医疗防治和科研中具有独特的作用,目前在医疗中广泛使用的是单导联或十二导联非同步心电图机,在少数较大医院中使用的十二导联同步检查心电图机均为国外进口或国外产品在国内组装,目前尚无国产的十二导联同步检查的心电图机。根据目前的微电子、单片机

芯城品牌采购网

29224

蓝牙音箱中自恢复保险丝的过流保护方案介绍-芯城品牌采购网

应用自恢复保险丝蓝牙音箱过流保护,与音箱同样受到工程师的欢迎。因可自动恢复的过流保护特点是自恢复保险丝的优势。免于维护、低成本是其它过流保护电路不能替代自恢复保险丝的根本原因。深受人们喜爱的蓝牙音箱,是锂离子电池供电,只要给锂离子电池充电即可长期反复使用,但锂离子电池很容易出现因过充、过放电而损坏,还会在遇到短路、反接情况出现时有爆炸的安全隐患问题,这些问题多在生产、安装过程中出现,为此必须要

芯城品牌采购网

29572

贴片电阻的选购要注意事项-芯城品牌采购网

表面组装技术(SMT)的应用已十分普遍,采用SMT组装的电子产品的比例已超过90%。我国从八十年代起开始应入SMT技术。随着小型SMT生产设备的开发,SMT的应用范围在进一步扩大,航空、航天、仪器仪表、机床等领域也在采用SMT生产各种批量不大的电子产品或部件。近年来,除了电子产品开发人员用贴片式器件开发新产品外,维修人员也开始大量地维修SMT技术组装的电子产品。目前贴片电阻的型号并不统一,由各生产

芯城品牌采购网

27853

CPU中的控制器详解-芯城品牌采购网

运算器只能完成运算,而控制器用于控制着整个CPU的工作。图11、指令控制器指令控制器控制器中相当重要的部分,它要完成取指令、分析指令等操作,然后交给执行单元(ALU或FPU)来执行,同时还要形成下一条指令的地址。为了说明这个问题,这里转载一个指令执行示意图。图2从上图可以看到,由CS:IP构成的寄存器总是给出当前要执行的指令地址,并在当前指令尚未执行完成的时候,给出下一条将要执行的指令地址。CS

芯城品牌采购网

29368

基于射频识别读写器芯片实现非接触式IC识别器的设计-芯城品牌采购网

利用射频识别技术(RadioFrequncyIdentification)开发的非接触式IC识别器,与传统的接触式IC卡、磁卡相比较,在系统寿命、防监听、防解密等性能上具有很大的优势。本文介绍利用MCUP89LPC932、MFRC632、Mifare卡等构建的非接触式专用IC读写器,充分利用了MFRC632的射频识别读写器芯片的功能。所使用的器件大部分都是PHILPS公司的器件,具有典型性和一定的

芯城品牌采购网

29341

详尽分析开关电源电路的各种损耗-芯城品牌采购网

输出部分损耗1、脉冲电流造成的共模电感T的内阻损耗加大适当设计共模电感,包括线径和匝数2、放电电阻上的损耗在符合安规的前提下加大放电电阻的组织3、热敏电阻上的损耗在符合其他指标的前提下减小热敏电阻的阻值启动损耗普通的启动方法,开关电源启动后启动电阻回路未切断,此损耗持续存在。改善方法:恒流启动方式启动,启动完成后关闭启动电路降低损耗。与开关电源工作相关的损耗钳位电路损耗有放电电阻存在,mos开关管

芯城品牌采购网

27319

基于CX88168、CX20463和CX20437芯片实现高速MODEM的设计-芯城品牌采购网

随着因特网的普及和发展,上网的用户数正不断增加,各种各样的上网手段层出不穷。但对于广大网民来说,采用MODEM进行数据传输却是一种最常用的接入方式。面对这样一个巨大市场,世界各大芯片制造商相继推出了自己的MODEM芯片组,并不断在简化硬件设计和提高MODEM的传输速率上下功夫。ROCKWELL公司(由CONEXANT公司生产)推出了一款全新的MODEM芯片组--SmartSCM/56S,它能支持新

芯城品牌采购网

28662

基于协议转换芯片PCI9054与FPGA实现PCI通信接口的设计-芯城品牌采购网

1引言PCI,外设组件互连标准(PeripheralComponentInterconnection)是一种由Intel公司1991年推出的用于定义局部总线的标准,自规范推出,得到网络通信,数据采集处理,工业控制等多行业的广泛应用,并出现PCI-E。CPCI,PXI等多个扩展改良版本。PCI总线支持其即插即用,中断共享,高速数据传输等功能,有着广阔的市场前景。本文介绍了目前使用美国PLX公司生产的

芯城品牌采购网

31326

电子元器件封装技术讲解-芯城品牌采购网

A、封装内涵封装——Package,使用要求的材料,将设计电路按照特定的输入输出端进行安装、连接、固定、灌封、标识的工艺技术。B、封装作用a)保护:保障电路工作环境与外界隔离,具有防潮、防尘;b)支撑:引出端及壳体在组装和焊接过程保持距离和缓冲应力作用;c)散热:电路工作时的热量施放;d)电绝缘:保障不与其他元件或电路单元的电气干涉;e)过渡:电路物理尺寸的转换;a)晶圆裸芯片b)集成电路芯片c)

芯城品牌采购网

29730

用于汽车负载应用的上桥SmartFET驱动器-芯城品牌采购网

上桥SmartFET因其易于使用和高水平的保护而越来越受欢迎。与标准MOSFET一样,SmartFET非常适合各种汽车应用。它们的区别在于内置在上桥SmartFET器件中的控制电路。控制电路持续监控输出电流和器件温度,同时针对电压瞬变和其他意外应用条件提供被动保护。这种主动和被动保护功能的结合确保了稳定可靠的应用方案,延长了器件本身及其所保护的应用负载的使用寿命。安森美(onsemi)现在提供从4

芯城品牌采购网

30332

可变合金电阻器与普通合金电阻器之间的差异。与普通合金电阻器相比,可变合金电阻器具有以下特点。根据这些特性,可在电路板中识别可变合金电阻器:差异1。可变合金电阻器(绕线结构)在大功率场合体积大,活动板可左右滑动调整电阻值。区别2:可变合金电阻的体积比普通合金电阻大。同时,电路中的可变合金电阻器较少。它可以很容易地在电路板上找到。差异3。带小塑料外壳的可变合金电阻器体积较小,呈圆形结构。如图2.2(a

芯城品牌采购网

29339

一套可靠的电梯控制系统解决方案-芯城品牌采购网

在现代城市里,高楼耸立、大厦云集,电梯作为来往楼层之间的主要搭乘工具,其重要性不言而喻。作为智能建筑楼宇自动化子系统的核心组成部分,电梯的稳定运行离不开智能的控制系统。今天为大家带来的就是一套可靠的电梯控制系统解决方案,该方案由主控制器、外部控制和内部控制板三个部分组成,与瑞萨AC伺服解决方案和电梯控制板集成,就可提供完善的电梯控制系统。系统框图在主控制模块,该方案采用RA6M4MCU,并集成了

芯城品牌采购网

28555

PID控制方法理解常用的控制策略-PID-芯城品牌采购网

如果说智能车的视觉处理是眼睛,PID就是双手可以去帮你完成智能车的运动控制。没有一个好的PID,就可能会产生手眼打架的情形。比如说,你去看了一个美食博主的美食的制作过程,眼睛说,我会了,手说,你快拉到吧。所以要想手眼协调,智能车控制得当,好的视觉处理算法和好的PID调试都密不可分。不然也不会有专门的PID调试的岗位了。废话不多说,下面是我整理的一些资料。方向控制在软件系统中的位置方向控制系统宏观概

芯城品牌采购网

27501

了解为高分辨率、高帧率CMOS图像传感器设计供电方案的挑战-芯城品牌采购网

摘要了解为当今高分辨率高帧率CMOS图像传感器设计供电方案的关键挑战,是设计一个满足每位设计工程师要求的含LDO(DC-DC,PMIC)的优化的电源系统方案的关键要素。电源系统设计人员需要知道不同应用中的电源方案有何不同,比方说,一个800万像素(MP)的相机与一个5000万像素的相机的电源方案有何不同,或帧率的不同(30fps、60fps、120fps)如何改变他们的电源设计,多大频率需要高电

芯城品牌采购网

31207